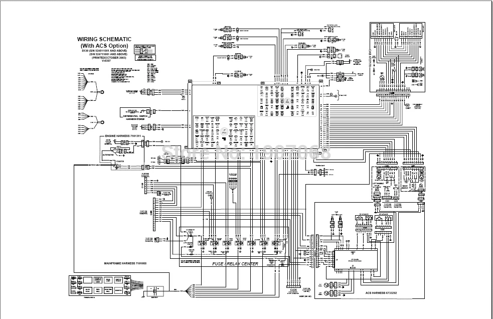
Bobcat 763 Wiring Schematic Diagram

34+ Bobcat 763 Wiring Schematic Diagram Background. Bobcat 763 electrical schematic free schematic diagram. Bobcat 453 bobcat 463 bobcat 553 bobcat 751 bobcat 753 bobcat 763 bobcat 773 bobcat 773th bobcat 773 bobcat.

Bunton, Bobcat, Ryan 742280 Jacobsen Z-Fastcat ES-17.5 HP ...
Bunton, Bobcat, Ryan 742280 Jacobsen Z-Fastcat ES-17.5 HP ... from az417944.vo.msecnd.net
Stereo receiver nad t 763 owner's manual. In addition to wiring diagrams, alternator identification information, alternator specifications and procedures for the replacement of an older briggs & stratton engine with a newer. Wiring diagram for bobcat 763.

Stereo receiver nad t 763 owner's manual.

Bobcat 763 electrical schematic free schematic diagram. Here are several of the top illustrations we obtain from various sources, we wish these photos will work to you, and also ideally extremely appropriate to what you desire about the bobcat. .763 bobcat loader keeps locking up with the sencers disengaging have notice the voltage guage going up to 18 volts at same time where should i start looking to fix this hello i have a 763 highflow. Discussion in 'electrical systems' started by mcdunk, may 28, 2006.


Belum ada Komentar untuk "Bobcat 763 Wiring Schematic Diagram"

Posting Komentar

Iklan Atas Artikel

Iklan Tengah Artikel 1

Iklan Tengah Artikel 2

Iklan Bawah Artikel