Wiring Diagram Eps Avanza

View Wiring Diagram Eps Avanza Images. M overall electrical wiring diagram. 17 out of 100 based on 199 user ratings.

Wiring Diagram Avanza Manual
Wiring Diagram Avanza Manual from imgv2-1-f.scribdassets.com
Ford ranger ev 2001 wiring diagrams. As a japanese's car toyota avanza recognized as successful car in indonesia you can find this car every where. View our complete listing of wiring diagrams by vehicle manufacture.

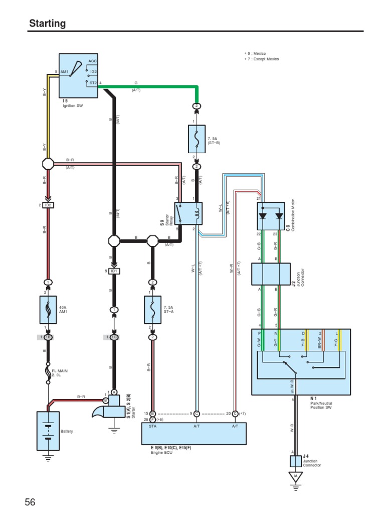
Download kumpulan wiring kelistrikan avanza xenia assalamua'alaikum wr wb, terima kasih atas kunjunganya sobat cronyos, kali ini saya akan membagikan file file pdf yang berisi kumpulan wiring diagram klistrikan avanza maupun xenia, silahkan di download

M overall electrical wiring diagram. Today we want to deliver car wiring diagram came from toyota brand. How to use this manual b. Provides circuit diagrams showing the circuit connections.


Belum ada Komentar untuk "Wiring Diagram Eps Avanza"

Posting Komentar

Iklan Atas Artikel

Iklan Tengah Artikel 1

Iklan Tengah Artikel 2

Iklan Bawah Artikel